氣動隔膜泵是下進上出的嗎精選
導讀:氣動隔膜泵是下進上出的嗎 近來,有來自山西的用戶向小編咨詢氣動隔膜泵是下進上出的嗎這一問題。對此,上海沈泉 隔膜泵廠家 便為大家整理出了以下內容,大家請請跟著小編一起來看看吧。 對于 氣動隔膜泵 是下進上出的嗎這一問題來講,答案是肯定的。大家可以看看下面這張結構圖。 從上面的結構圖中,我們可以看到,進料口是在下面,出料口是在上面。 好了,以上內...
氣動隔膜泵是下進上出的嗎
近來,有來自山西的用戶向小編咨詢氣動隔膜泵是下進上出的嗎這一問題。對此,上海沈泉隔膜泵廠家便為大家整理出了以下內容,大家請請跟著小編一起來看看吧。
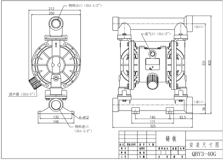
對于氣動隔膜泵是下進上出的嗎這一問題來講,答案是肯定的。大家可以看看下面這張結構圖。

從上面的結構圖中,我們可以看到,進料口是在下面,出料口是在上面。
好了,以上內容由上海沈泉泵閥制造有限公司為大家提供,希望能夠對大家有所幫助。
上一篇:隔膜泵工作原理示意圖及使用注意事項 下一篇:隔膜泵膜片正反如何區分
免責聲明:部分文章信息來源于網絡以及網友投稿,本網站只負責對文章進行整理、排版、編輯,是出于傳遞 更多信息之目的,并不意味著贊同其觀點或證實其內容的真實性,如本站文章和轉稿涉及版權等問題,請作者在及時聯系本站,我們會盡快處理。
本文標題: 氣動隔膜泵是下進上出的嗎本文地址:http://m.zhanzhangnet.com/QA/2019.html
本文標題: 氣動隔膜泵是下進上出的嗎本文地址:http://m.zhanzhangnet.com/QA/2019.html
技術服務
推薦產品

- ISG立式管道離心泵
上海沈泉泵閥制造有限公司為您提供:ISG立式管道離心泵的性能參數表,安裝尺

- ISW臥式管道離心泵
上海沈泉泵閥制造有限公司為您提供:ISW臥式管道離心泵的性能參數表,安裝尺

- SPG立式屏蔽管道離心泵
上海沈泉泵閥制造有限公司為您提供:SPG屏蔽管道離心泵的性能參數表,安裝尺

- CQB-L磁力立式管道離心泵
上海沈泉泵閥制造有限公司為您提供:CQB-L磁力管道離心泵的性能參數表,安裝





