QBY3-40襯氟氣動隔膜泵
- 選型報價: 獲取2021年價格
- 流量范圍:0-30(m3/h)
- 揚程范圍:0-60(m)
- 軸封形式:無
- 泵的類型:容積式
- 功率范圍:(KW)
- 口徑范圍:10-100(mm)
- 材質可選:
- 連接方式:
- 驅動形式:壓縮空氣
QBY3-40襯氟氣動隔膜泵-工作原理

襯氟氣動隔膜泵工作原理圖
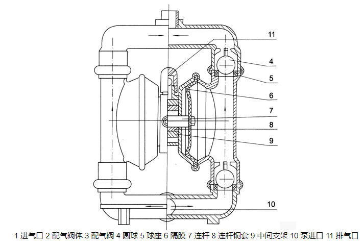
圖1:空氣經由氣閥壓縮進入空氣室B之背面,由膜片擠壓液室。此種以空氣驅動的方式可免除一般活塞驅動之機械應力,從而顯著地延長膜片的壽命。在壓縮空氣將空氣室B推離中心體時,另一端之空氣室A同時被連結之中心軸拉向中心體,此時,空氣室A背面之空氣由出口排放到泵體外。如此使B室形成真空狀態,因而能靠外面大氣壓力之作用將流體由入口支管將閥球推離閥座使流體能自由地進入B室直至填滿。
圖2:當受空氣擠壓之空氣室B達到其位移G限時,空氣 閥會將空氣引導至空氣室A之背面,同樣形成擠壓力而使其推離中心體,同時將連結的空氣室B拉回中心體,此時空氣室A之驅動所產生的液壓將入口閥球推回閥座,同時將出口閥球推離閥座使流體能被擠壓而從出口排出泵體 外??諝馐褺被拉回中心體這個動作使A室形成真空狀態,因而能靠大氣壓力作用將流體由入口支管將閥球推離閥座而進入A室直至填滿。
當膜片之運動完成時,空氣閥再次引導空氣至空氣室B之背面,同時空氣室A做空氣排放動作。在泵回復到 原啟動狀態時,泵內的兩個膜片各自完成了一個空氣排放或流體排放的過程。這構成了一個循環泵送過程。依使用狀況,泵通過數次完全的循環泵送動作而使泵達到 自吸狀態。
QBY3-40襯氟氣動隔膜泵-型號意義


QBY3-40襯氟氣動隔膜泵-產品優勢
一、QBY氣動隔膜泵主要用途:
1、隔膜泵吸花生醬、泡菜、土豆泥、小紅腸、果醬蘋果漿、巧克力等。
2、隔膜泵吸油漆、樹膠、顏料。
3、粘合劑和膠水、全部種類可用泵吸取。
4、各種瓦、瓷、磚器及陶器釉漿。
5、油井鉆好后,用泵吸沉積物及灌漿。
6、泵吸各種乳劑和填料。 .
7、隔膜泵吸各種污水。
8、用泵為油輪,駁船清倉吸取倉內污水。
9、啤酒花及發酵粉稀漿、糖漿、糖密。
10、隔膜泵吸礦井、坑道、隧道、選礦、礦渣中的積水。泵吸水泥灌漿及灰漿。
11、各種橡膠漿。
12、各種磨料、腐蝕劑、石油及泥漿、清洗油垢及一般容器。
13、各種劇毒、易燃、易揮發液體。
14、各種強酸、強堿、強腐蝕液體。
15、各種高溫液體Z高可耐150℃。
16、作為各種固液分離設備的前G送壓裝置。
二、QBY氣動隔膜泵產品簡介:
本單位生產的QBY系列氣動隔膜泵是一種新型輸送機械,采用壓縮空氣為動力源,對于各種腐蝕性液體,帶顆粒的液體,高粘度、易揮發、易燃、劇毒的液體,均能予以抽光吸盡。其性能參數與聯邦德G的WLLDENPVMPS、美G的MARlOWPUMPS相近。
三、QBY氣動隔膜泵技術參數:
流量:0-30m3/h
揚程:0-50m
口徑:10-100mm
溫度:-15-+120℃
壓力:0.1-0.7MPa
自吸高度:5-7m
氣動隔膜泵應用實例
1、油罐清底,盡管有墊水法抽油,也不能保證將油抽凈,表面總要剩下至少3-5mm厚的油層。以5000m3油罐為例,每次大約損耗1-1.5t油。對于有低位脫水槽的油罐,雖可將剩下的油和水排放到含油污水處理場回收,但是揮發的油品在輸送過程中大都揮發殆盡,且污染環境。
2、臨時倒罐、裝卸車和油品采樣,煉油生產調度過程中,油品經常要臨時倒罐、裝車和對油罐中油品采樣檢驗?;蛘邽榱瞬恢劣谖廴菊5墓芫€時,用隔膜泵接臨時管線可以迅速方便地完成此項任務。
3、油輪倉底油回收一條3000t的油輪用固定螺桿泵卸油,倉庫隔板之間至少要剩余50t油,若用排量較大的隔腆泵,可以收到很好的效果。
4、瓦斯、硫化氫殘液的輸送煉油廠火炬底部的瓦斯殘液和含硫水,需要集中排放和處理,否則會形成酸性腐蝕設備。
5、陶瓷行業:用該泵抽吸釉漿,并可用于向壓濾機送壓。
6、下水井、暗溝排除漬水、污油在下水井管道,閥門及暗溝檢修時,需要排除漬水和污油。用潛水泵雖可抽盡潰水,但往往這些地方都遠離電源,很不方便。使用隔膜泵則可采用壓?氣瓶作動力,回收污油,排泄潰水。
7、污水處理場和污泥池的清掃污水處理場的污泥池,常常聚積大量的油泥和淤沙,需要清掃,采用隔膜泵抽吸靈活、方便省工、省力、省時。
8、液化氣泵房和化驗室排漬水,由于這些地方地勢較低,又是一G防火區,采用隔膜泵排漬水比較安全,比用水抽子、汽抽子效率高出好多倍。
9.此外,此泵應用于環烷酸精制轉料,裝車亞硫酸納液體輸送,苯類原料裝卸車等方面都有它自己的優勢。
QBY3-40襯氟氣動隔膜泵-性能參數 本數據是我公司實際測試所得真實數據,如有疑問請咨詢我們

QBY3-40襯氟氣動隔膜泵-結構圖紙

1 進氣口 2 配氣閥體 3 配氣閥 4 圓球 5 球座 6 隔膜 7 連桿 8 連桿銅套 9 中間支架 10 泵進口 11 排氣口
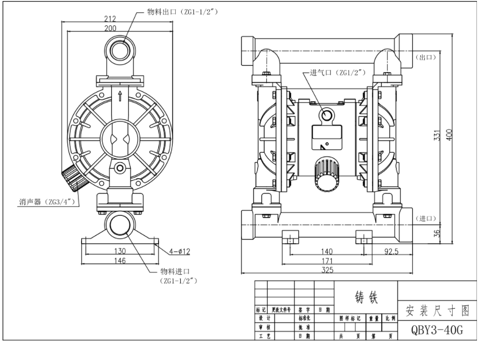
QBY3-40襯氟氣動隔膜泵-安裝尺寸 本數據是我公司實際測試所得真實數據,如有疑問請咨詢我們

QBY3-40襯氟氣動隔膜泵安裝使用注意事項
1.在易燃易爆場所工作時,隔膜泵必須完全接地以消除靜電。
2.泵必須安裝在牢固的底座上,不可懸空,不可不固定。
3.進料口不要安裝閥門,如必須安裝,使用時請務必先完全打開閥門,再啟動泵,關閉時先關閉氣閥,等隔膜泵停止工作后再關閉閥門。(閥門關閉時啟動泵會產生高強度負壓,拉裂膜片?,F場使用時超過50%的膜片是因為進料口閥門關閉而損壞。)
4.安裝時,進、出料口管路管徑不要小于泵進、出料口口徑,如輸送高粘度流體時,管路管徑Z好大于泵口徑,以利于流通。(進料口管路管徑變小會導致負壓損壞膜片,出料口管路管徑變小會降低流量。)
5.管路與接頭必須保證密封,否則會降低隔膜泵的自吸能力。
6.進料口管路越短吸力越大,盡量減少彎頭數量。吸料口建議做斜口,避免觸底吸真空,造成膜片損壞。
7.物料中的顆粒大小必須要小于該泵所能通過的Z大顆粒直徑,如果物料中有過大顆粒,請在泵送前預先過濾。(過大顆粒會堵塞泵腔,使泵無法正常工作。)
8.泵啟動時請給與2公斤以上壓力,Z佳工作狀態保持在5-7公斤氣壓,關閉時請迅速關閉氣閥,不要緩慢關閉。(過于緩慢開啟或關閉氣閥會導致氣閥室內大小滑塊在中間位置停止,無法換位。)
9.輸送粘稠、易凝結物料時,使用完需及時清洗。泵長時間不用時請清洗后儲存于干燥、干凈的場所。
QBY3-40襯氟氣動隔膜泵-技術文檔

本文標題:QBY3-40襯氟氣動隔膜泵本文地址:http://m.zhanzhangnet.com/QBYQBK/733.html
管道離心泵
排污泵
自吸泵
磁力泵
隔膜泵
螺桿泵
全國統一服務熱線:400-6656-887
地址:上海市嘉定區綠色經濟工業園
郵箱:sales@sqmade.com





