廠家告訴你污水泵揚程的計算精選
大家知道污水泵揚程的計算是什么嗎?今天上海沈泉水泵廠家為大家特地的來講解一下,請大家跟著小編來看看吧。
污水泵的揚程計算是選擇泵的重要依據,這是由管網系統(tǒng)的安裝和操作條件決定的。計算前應S先繪制流程草圖,平、立面布置圖,計算出管線的長度、管徑及管件型式和數量。
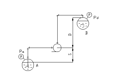
一般管網如下圖所示:
D——排出幾何高度,m;
取值:高于泵入口中心線:為正;低于泵入口中心線:為負;
S——吸入幾何高度,m;
取值:高于泵入口中心線:為負;低于泵入口中心線:為正;
Pd、Ps——容器內操作壓力,m液柱(表壓);
取值:以表壓正負為準
Hf1——直管阻力損失,m液柱;
Hf2——管件阻力損失,m液柱;
Hf3——進出口局部阻力損失,m液柱;
h ——泵的揚程,m液柱

h=D+S+hf1+hf2+h3+Pd-Ps

h= D-S+hf1+hf2+hf3+Pd-Ps

h= D+S+hf1+hf2+hf3+Pd-Ps
計算式中各參數符號的意義

某些工業(yè)管材的ε約值見下表

管網局部阻力計算

常用管件和閥件底局部阻力系數ζ

以上內容由上海沈泉泵閥有限公司為大家提供,希望能夠幫助到大家。如果還想了解或者購買相關的泵類產品,可以與我們的站內客服進行聯(lián)系。
本文標題: 廠家告訴你污水泵揚程的計算本文地址:http://m.zhanzhangnet.com/QA/603.html
技術服務
推薦產品

- ISG立式管道離心泵
上海沈泉泵閥制造有限公司為您提供:ISG立式管道離心泵的性能參數表,安裝尺

- ISW臥式管道離心泵
上海沈泉泵閥制造有限公司為您提供:ISW臥式管道離心泵的性能參數表,安裝尺

- SPG立式屏蔽管道離心泵
上海沈泉泵閥制造有限公司為您提供:SPG屏蔽管道離心泵的性能參數表,安裝尺

- CQB-L磁力立式管道離心泵
上海沈泉泵閥制造有限公司為您提供:CQB-L磁力管道離心泵的性能參數表,安裝





