柱塞式計量泵_J-D系列柱塞計量泵精選
一、柱塞式計量泵產品介紹
無閥式運行柱塞計量泵DR系列帶有旋轉控制柱塞,這種泵的運行是通過柱塞往復移動和旋轉運動完成的。這樣,柱塞本身就可以打開和關閉吸入和輸出口,而不需要閥,這種泵的沖程頻率工作范圍廣。基于這種原理,DR泵可以計量高粘度甚至含有大顆粒雜質的液體。 泵頭材質是不銹鋼的,柱塞及其腔體都是由一種特殊涂層來保護的。 根據應用場合的不同,泵頭還可以采用更好的材質制造。在柱塞和腔體之間的間隙,主要是用來填充密封件,以用來計量高粘度液體。泵頭背面的小天窗用橡膠環形密封件來密封,計量泵內液體流動的方向通過柱塞的安裝方式來選擇。圍繞水平軸來轉動泵頭,從而達到重復吸入液體。

二、J-D系列柱塞式計量泵產品特點
1、泵為蝸桿副傳動,曲柄連桿機構,行程調節機構為N軸
2、泵的Z大額定排量Q=3000L/h
3、泵的Z大額定排壓P2=50Mpa
4、適應介質溫度≤400℃
5、流量控制方式:手動/自動沖程調節器/變頻
6、泵在運行或停止狀態下可調節流量。
7、泵的過流零件可選材質:304、316L、20#合金、哈氏B、哈C、陶瓷等。
8、流量精度≤±1%
9、進出口連接:可選卡套式焊接管式、法蘭式、螺紋式
10、特殊設計:(1)高壓;(2)高溫;(3)低溫;(4)加熱夾套;(5)高粘度
11、可多臺并聯使用,可分別獨立調節流量

三、J-D系列柱塞式計量泵產品材料分析
泵頭: SUS304. SUS316.SUS304+PTFE,SUS316+PTFE
隔膜: PTFE
單向閥: SUS304. SUS316. PVC, PTFE
閥球: 氧化鋯、304、316、陶瓷、二氧化硅

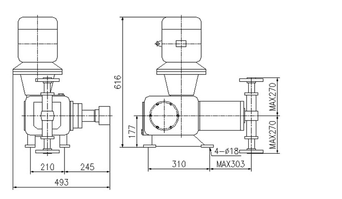
四、J-D系列柱塞式計量泵產品安裝尺寸

五、-D系列柱塞式計量泵產品性能參數
| 型號 |
流量 |
壓力 |
柱塞直徑 | 行程 | 泵速 | 電機功率 | 進出口徑 | 重量 | ||||
| J-D | 2J-D | 3J-D | J-D | 2J-D | 3J-D | |||||||
| J-D23/50 | 23 | 46 | 69 | 50 | 12 | 40 | 100 | 4 | 10 | 145 | 255 | 340 |
| J-D23/40 | 23 | 46 | 69 | 40 | 3 | |||||||
| J-D45/40 | 40 | 80 | 120 | 40 | 16 | 4 | ||||||
| J-D45/30 | 40 | 80 | 120 | 30 | 3 | |||||||
| J-D70/28 | 63 | 126 | 189 | 28 | 20 | 4 | ||||||
| J-D70/20 | 63 | 126 | 189 | 20 | 3 | |||||||
| J-D100/18 | 105 | 210 | 315 | 18 | 25 | 4 | 15 | 148 | 257 | 342 | ||
| J-D100/13 | 105 | 210 | 315 | 13 | 3 | |||||||
| J-D180/11 | 175 | 350 | 525 | 11 | 32 | 4 | ||||||
| J-D180/8.0 | 175 | 350 | 525 | 8.0 | 3 | |||||||
| J-D300/6.3 | 300 | 600 | 900 | 6.3 | 42 | 4 | ||||||
| J-D300/4.8 | 300 | 600 | 900 | 4.8 | 3 | |||||||
本文標題: 柱塞式計量泵_J-D系列柱塞計量泵本文地址:http://m.zhanzhangnet.com/selection/544.html
技術服務
推薦產品

- ISG立式管道離心泵
上海沈泉泵閥制造有限公司為您提供:ISG立式管道離心泵的性能參數表,安裝尺

- ISW臥式管道離心泵
上海沈泉泵閥制造有限公司為您提供:ISW臥式管道離心泵的性能參數表,安裝尺

- SPG立式屏蔽管道離心泵
上海沈泉泵閥制造有限公司為您提供:SPG屏蔽管道離心泵的性能參數表,安裝尺

- CQB-L磁力立式管道離心泵
上海沈泉泵閥制造有限公司為您提供:CQB-L磁力管道離心泵的性能參數表,安裝





